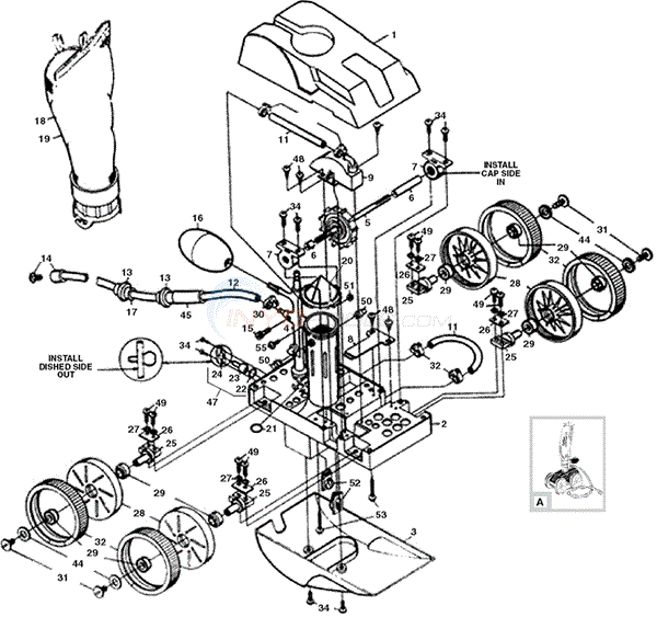
Pentair Legend Pool Cleaner Parts Diagram . Poolzoom pool parts and pool supplies online. Web shop all of the pentair legend ll505g pool cleaner parts that you need to keep your cleaner running strong each season. Web the pentair legend parts diagram serves as a visual guide that helps pool owners identify and locate each part of the pool cleaner. Web automatic pool cleaner parts item part no. Web pentair letro legend ll505g pool cleaner parts. Web automatic pool cleaner parts 159 legend® (cont’d) ll505g and ll505gg replacement parts item part no. Description kreepy krauly legend ii replacement parts 1 360003. The pentair kreepy krauly legend cleaner features a highly efficient booster. Pentair pool products part number.
from www.poolsupplyunlimited.com
Web pentair letro legend ll505g pool cleaner parts. Web shop all of the pentair legend ll505g pool cleaner parts that you need to keep your cleaner running strong each season. Poolzoom pool parts and pool supplies online. Web automatic pool cleaner parts item part no. Web the pentair legend parts diagram serves as a visual guide that helps pool owners identify and locate each part of the pool cleaner. The pentair kreepy krauly legend cleaner features a highly efficient booster. Description kreepy krauly legend ii replacement parts 1 360003. Web automatic pool cleaner parts 159 legend® (cont’d) ll505g and ll505gg replacement parts item part no. Pentair pool products part number.
Pool Supply Unlimited Pentair Letro Legend Platinum Cleaner WHITE
Pentair Legend Pool Cleaner Parts Diagram Pentair pool products part number. Web shop all of the pentair legend ll505g pool cleaner parts that you need to keep your cleaner running strong each season. Web pentair letro legend ll505g pool cleaner parts. The pentair kreepy krauly legend cleaner features a highly efficient booster. Web the pentair legend parts diagram serves as a visual guide that helps pool owners identify and locate each part of the pool cleaner. Web automatic pool cleaner parts item part no. Pentair pool products part number. Description kreepy krauly legend ii replacement parts 1 360003. Poolzoom pool parts and pool supplies online. Web automatic pool cleaner parts 159 legend® (cont’d) ll505g and ll505gg replacement parts item part no.
From www.poolvacparts.com
Buy Pentair Legend 4Wheel Pool Cleaner Replacement Parts Pentair Legend Pool Cleaner Parts Diagram Web shop all of the pentair legend ll505g pool cleaner parts that you need to keep your cleaner running strong each season. Poolzoom pool parts and pool supplies online. Web automatic pool cleaner parts item part no. Pentair pool products part number. Web automatic pool cleaner parts 159 legend® (cont’d) ll505g and ll505gg replacement parts item part no. The pentair. Pentair Legend Pool Cleaner Parts Diagram.
From mypool.com
Swimming Pool Cleaners, Letro Legend Pool Cleaners Pentair Legend Pool Cleaner Parts Diagram Poolzoom pool parts and pool supplies online. Pentair pool products part number. Web the pentair legend parts diagram serves as a visual guide that helps pool owners identify and locate each part of the pool cleaner. Web automatic pool cleaner parts 159 legend® (cont’d) ll505g and ll505gg replacement parts item part no. Web pentair letro legend ll505g pool cleaner parts.. Pentair Legend Pool Cleaner Parts Diagram.
From lesliespool.com
Pentair Legend LL505G Pool Cleaner Parts Leslie's Pool Supplies Pentair Legend Pool Cleaner Parts Diagram Pentair pool products part number. Web automatic pool cleaner parts 159 legend® (cont’d) ll505g and ll505gg replacement parts item part no. Description kreepy krauly legend ii replacement parts 1 360003. Web pentair letro legend ll505g pool cleaner parts. Poolzoom pool parts and pool supplies online. Web automatic pool cleaner parts item part no. Web shop all of the pentair legend. Pentair Legend Pool Cleaner Parts Diagram.
From intheswim.com
Parts For Pentair Letro Legend Pool Cleaners Discount Letro Legend Pentair Legend Pool Cleaner Parts Diagram Poolzoom pool parts and pool supplies online. Web automatic pool cleaner parts 159 legend® (cont’d) ll505g and ll505gg replacement parts item part no. Web automatic pool cleaner parts item part no. The pentair kreepy krauly legend cleaner features a highly efficient booster. Web shop all of the pentair legend ll505g pool cleaner parts that you need to keep your cleaner. Pentair Legend Pool Cleaner Parts Diagram.
From bestpoolshop.com
Pentair Rebel Free Shipping Pentair Legend Pool Cleaner Parts Diagram The pentair kreepy krauly legend cleaner features a highly efficient booster. Description kreepy krauly legend ii replacement parts 1 360003. Web automatic pool cleaner parts item part no. Poolzoom pool parts and pool supplies online. Web shop all of the pentair legend ll505g pool cleaner parts that you need to keep your cleaner running strong each season. Web pentair letro. Pentair Legend Pool Cleaner Parts Diagram.
From www.walmart.com
Pentair Part E10 Letro Legend Swimming Pool Cleaner Back Up Valve Pentair Legend Pool Cleaner Parts Diagram Web pentair letro legend ll505g pool cleaner parts. Pentair pool products part number. Web automatic pool cleaner parts 159 legend® (cont’d) ll505g and ll505gg replacement parts item part no. Description kreepy krauly legend ii replacement parts 1 360003. Web shop all of the pentair legend ll505g pool cleaner parts that you need to keep your cleaner running strong each season.. Pentair Legend Pool Cleaner Parts Diagram.
From sunstaralliance.com
Pentair Kreepy Krauly Legend Pressure Side Pool Cleaner Pentair Legend Pool Cleaner Parts Diagram Poolzoom pool parts and pool supplies online. Description kreepy krauly legend ii replacement parts 1 360003. The pentair kreepy krauly legend cleaner features a highly efficient booster. Web shop all of the pentair legend ll505g pool cleaner parts that you need to keep your cleaner running strong each season. Pentair pool products part number. Web pentair letro legend ll505g pool. Pentair Legend Pool Cleaner Parts Diagram.
From www.poolvacparts.com
Buy Pentair Legend II LX2000 Pool Cleaner Replacement Parts Pentair Legend Pool Cleaner Parts Diagram Pentair pool products part number. Web shop all of the pentair legend ll505g pool cleaner parts that you need to keep your cleaner running strong each season. Web the pentair legend parts diagram serves as a visual guide that helps pool owners identify and locate each part of the pool cleaner. Poolzoom pool parts and pool supplies online. Web pentair. Pentair Legend Pool Cleaner Parts Diagram.
From www.inyopools.com
Pentair Legend Head for 4 Wheel Version Parts Pentair Legend Pool Cleaner Parts Diagram Web shop all of the pentair legend ll505g pool cleaner parts that you need to keep your cleaner running strong each season. Poolzoom pool parts and pool supplies online. Web automatic pool cleaner parts item part no. Description kreepy krauly legend ii replacement parts 1 360003. The pentair kreepy krauly legend cleaner features a highly efficient booster. Web pentair letro. Pentair Legend Pool Cleaner Parts Diagram.
From www.poolsupplyunlimited.com
Pentair Kreepy Krauly Legend Pool Cleaner Booster Pump Required All Pentair Legend Pool Cleaner Parts Diagram Description kreepy krauly legend ii replacement parts 1 360003. Pentair pool products part number. Poolzoom pool parts and pool supplies online. Web shop all of the pentair legend ll505g pool cleaner parts that you need to keep your cleaner running strong each season. Web automatic pool cleaner parts 159 legend® (cont’d) ll505g and ll505gg replacement parts item part no. The. Pentair Legend Pool Cleaner Parts Diagram.
From pinchapenny.com
Pentair Legend PressureSide Automatic Pool Cleaner Pentair Legend Pool Cleaner Parts Diagram Web shop all of the pentair legend ll505g pool cleaner parts that you need to keep your cleaner running strong each season. Poolzoom pool parts and pool supplies online. Web pentair letro legend ll505g pool cleaner parts. Pentair pool products part number. Web automatic pool cleaner parts 159 legend® (cont’d) ll505g and ll505gg replacement parts item part no. Web the. Pentair Legend Pool Cleaner Parts Diagram.
From www.frysfood.com
Pentair Letro Legend Snap Lock Swimming Pool Cleaner Debris Replacement Pentair Legend Pool Cleaner Parts Diagram Web automatic pool cleaner parts 159 legend® (cont’d) ll505g and ll505gg replacement parts item part no. Web shop all of the pentair legend ll505g pool cleaner parts that you need to keep your cleaner running strong each season. Web pentair letro legend ll505g pool cleaner parts. Web the pentair legend parts diagram serves as a visual guide that helps pool. Pentair Legend Pool Cleaner Parts Diagram.
From www.inyopools.com
Pentair Kreepy Krauly Legend II Parts Pentair Legend Pool Cleaner Parts Diagram Description kreepy krauly legend ii replacement parts 1 360003. Pentair pool products part number. Web automatic pool cleaner parts 159 legend® (cont’d) ll505g and ll505gg replacement parts item part no. Web automatic pool cleaner parts item part no. The pentair kreepy krauly legend cleaner features a highly efficient booster. Web pentair letro legend ll505g pool cleaner parts. Poolzoom pool parts. Pentair Legend Pool Cleaner Parts Diagram.
From www.poolzoom.com
Pentair Letro Legend LL505G Pool Cleaner Parts Pentair Legend Pool Cleaner Parts Diagram Web automatic pool cleaner parts item part no. The pentair kreepy krauly legend cleaner features a highly efficient booster. Poolzoom pool parts and pool supplies online. Web pentair letro legend ll505g pool cleaner parts. Pentair pool products part number. Web the pentair legend parts diagram serves as a visual guide that helps pool owners identify and locate each part of. Pentair Legend Pool Cleaner Parts Diagram.
From www.fronheiser.com
Pentair Kreepy Krauly Legend In Ground Pool Cleaner Fronheiser Pools Pentair Legend Pool Cleaner Parts Diagram Web the pentair legend parts diagram serves as a visual guide that helps pool owners identify and locate each part of the pool cleaner. Web automatic pool cleaner parts item part no. Pentair pool products part number. Web pentair letro legend ll505g pool cleaner parts. Description kreepy krauly legend ii replacement parts 1 360003. The pentair kreepy krauly legend cleaner. Pentair Legend Pool Cleaner Parts Diagram.
From www.poolzoom.com
Pentair Letro Legend LL505G Pool Cleaner Parts Pentair Legend Pool Cleaner Parts Diagram Pentair pool products part number. Web automatic pool cleaner parts item part no. Web automatic pool cleaner parts 159 legend® (cont’d) ll505g and ll505gg replacement parts item part no. Web pentair letro legend ll505g pool cleaner parts. Description kreepy krauly legend ii replacement parts 1 360003. Web the pentair legend parts diagram serves as a visual guide that helps pool. Pentair Legend Pool Cleaner Parts Diagram.
From www.stromord.com
Pentair Letro Legend Pool Cleaner Sweep (HEAD ONLY) Pentair Legend Pool Cleaner Parts Diagram Web pentair letro legend ll505g pool cleaner parts. The pentair kreepy krauly legend cleaner features a highly efficient booster. Description kreepy krauly legend ii replacement parts 1 360003. Pentair pool products part number. Web automatic pool cleaner parts item part no. Web automatic pool cleaner parts 159 legend® (cont’d) ll505g and ll505gg replacement parts item part no. Web shop all. Pentair Legend Pool Cleaner Parts Diagram.
From www.activepoolsupply.com
Pentair Letro Legend II Pool Cleaner with Hoses No Booster Pump Pentair Legend Pool Cleaner Parts Diagram Web automatic pool cleaner parts 159 legend® (cont’d) ll505g and ll505gg replacement parts item part no. The pentair kreepy krauly legend cleaner features a highly efficient booster. Web automatic pool cleaner parts item part no. Poolzoom pool parts and pool supplies online. Pentair pool products part number. Description kreepy krauly legend ii replacement parts 1 360003. Web the pentair legend. Pentair Legend Pool Cleaner Parts Diagram.